Kuriositätenkabinett Zurück Home Pixelpracht

AMSTRAD CPC

Z80A

Das Herz der Amstrad CPC Serie. Der Zilog Z80A Microprozessor. Mit einer sagenhaften Taktfrequenz von 4MHz und intern durch einen Frequenzteiler auf effektiv 2MHz heruntergetaktet. Das Betriebssystem musste nicht lästigerweise von irgendwelchen Medien umständlich gebootet werden, sondern stand neben dem BASIC sofort nach dem Einschalten zur Verfügung. All den armen Menschen, die leider erst so spät auf die Welt gekommen sind, daß sie nicht in den unmittelbaren Genuß der 8Bit Rechenpower kommen durften, sondern leider schon mit den "Mäuseschubser- Betriebssystemen" aufwuchsen sei gesagt: mit diesen alten Kisten konnte man nicht nur spielen! Es liessen sich so ziemlich alle Aufgaben bewältigen, die man sich nur vorstellen konnte. Von der Eisenbahn- Steuerung, bis zur Textverabeitung (sogar mit WYSIWYG Mode!). Obwohl die CPC's natürlich hervorragend zum spielen geeignet sind. Absolute Klassiker sind da zum Beispiel ELITE, oder Driller. Inzwischen gibt es wohl auch alles, was für den CPC erhältlich war im Internet zu finden.
Die englische Firma Amstrad brachte 1984 als erstes den CPC 464 heraus. In Deutschland wurde dieser von der Firma Schneider vertrieben (Die Firma, die auch extrem hochwertig HiFi-Anlagen herstellte *grins*). Der 464 kam mit einem Kassetten Laufwerk daher, welches als Datenspeicher dient. Dies war zwar alles andere als schnell, dafür waren die Medien sehr günstig. Komplettiert wurde er typischerweise von einem Grünmonitor, der mit 50Hertz Bildwiederholfrequenz werkelte. Die ebenfalls erhältliche Farbmonitorvariante war um einiges teurer. Später kam dann der CPC 664 und der CPC 6128 heraus.
Diese hatten anstelle des Kassetten Laufwerkes ein 3,0 Zoll Discetten Laufwerk. Wie Amstrad auf die glorreiche Idee gekommen ist 3,0 Zoll anstelle von damals üblichen 5,25 Zoll oder gar 3,5 Zoll zu verwenden ist mir bis heute nicht transparent. Die 3,0 Zoll Discs sind wesentlich stabiler als ihre Verwandten, aber auch um einiges teurer gewesen. So kostete in den späten 80zigern ein Zehnerpack 3,0 Discs satte 100,-DM! Vergleichbare 5,12 Discs lagen bei ca 20% davon.
Der Speicherausbau der CPC's betrug bei den CPC 464 und CPC 664 ganze 64KByte. Wobei 42KByte dem User zur Verfügung standen. Der Rest wurde von dem AMSDOS belegt. Der CPC 6128 hatte sogar 128KByte RAM, die Architektur bedingt aber nur zu je 64KByte Blöcken genutzt werden konnten.
   Nach nun knapp 20 Jahren bin ich sehr froh, daß mein Vater damals die 900,-DM in unseren CPC investiert hat. Dies war der Anfang meiner Computer Leidenschaft, die mich nun zu meinem heutigen Beruf gebracht hat. Die UNIX Server mit denen ich heute arbeite sind zwar ein klein wenig Leistungsfähiger als der CPC, aber die Grund Struktur der Rechner ist immer noch gleich.
   Unser ursprünglicher CPC wurde mit der Bauanleitung aus dem "Happy Computer Sonderheft 16" zum CPC 6128 umgebaut. Dieser Umbau war recht dramatisch, weil unter anderem je ein Bein der Speicher IC's aus der Platine herausgelötet und seperat verdrahtet werden musste. Die Zeiten, in der Computerbenutzer zum Lötkolben greifen ist jedoch schon lange vorbei...
   Das folgende Bild zeigt das "Endstadium" unseres CPC's. Vollgestopft mit allem Zubehör, was es für den CPC gab. Vom btx-Modul bis zur RAM-Disc.

Spezial Umbau:
Umschaltbar zwischen CPC 464/6128 - Joyce PCW
3' und 3,5' Disc, Tape, 2 Joystick Ports
Abschaltbare ROM Erweiterungen:
Silicon Disc, MAXAM, btx, ROMDOS, DES

Spezial UmbauSpezial Umbau

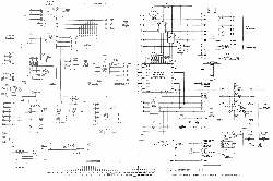
Hier noch für alle Interessierte:
der Schaltplan des Schneider CPC 464
Schaltplan

Kuriositätenkabinett Zurück Home Pixelpracht